Programowanie mikrokontrolerów
mikrokontrolery24.pl
Projekt Własnej Płytki Testowej ( deweloperskiej )
Aby wykonać płytkę testową na początek musimy wybrać mikrokontroler z którego będziemy korzystać. Ja po krótkim zaznajomieniu się z możliwościami mikrokontrolera wybrałem model STM32F103C6T6A z rodziny STM32 firmy Microchip.
Na początek rozpoczniemy od zaprojektowania najprostszej płytki współpracującej z mikrokontrolerem STM32, która powinna zawierać 3 podstawowe elementy:
- Sekcję zasilania
- Gniazdo programatora
- Układ resetu
- Piny do podłączenia wejść / wyjść peryferiów
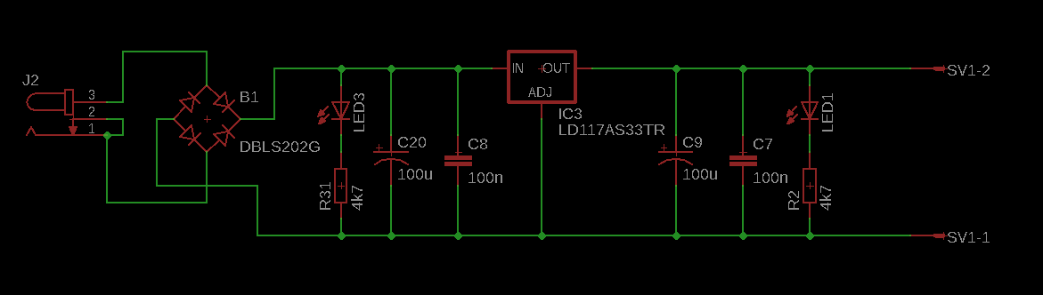
Na początek zaprojektujmy najtańszą i najprostszą sekcję zasilania mikrokontrolera składającą się z gniazda zasilającego, mostka graetz'a oraz stabilizatora napięcia.

Sekcja zasilania składać będzie się z dwóch diod led sygnalizujących obecność napięcia przed i za stabilizatorem napięcia. Stabilizatora napięcia zapewniającego stałe napięcie zasilania mikrokontrolera 3,3V. Kondensatorów filtrujących napięcie w celu eliminacji zakłóceń. Mostka graetza zabezpieczającego układ przed nieprawidłową polaryzacją. Przy takim zastosowaniu mostka graetza polaryzacja napięcia na gnieździe zasilającym jest dowolna.
Następnie dodajemy do schematu mikrokontroler oraz wyprowadzenia jego pinów. Wybrany przeze mnie mikrokontroler posiada 48 wyprowadzeń. Aby mieć możliwość swobodnego podłączenia peryferiów i wykorzystania pełnej funkcjonalności mikrokontrolera jego wszystkie nóżki wyprowadzone zostaną na piny z każdej jego strony zastosowano 12 pinowe gniazdo. Dodatkowo podpinamy 3 elementowy układ resetu mikrokontrolera.

Po podłączeniu wszystkich elementów uzyskujemy schemat ideowy jak poniżej:

Należy zwrócić szczególną uwage na piny zasilające mikrokontrolera. Każdy z pinów zasilających musi być podłączony do źródła zasilania + lub masy GND. W przypadku nie podpięcia któregoś z pinów zasilających pewna część mikrokontrolera nie będzie zasilana a tym samym nie będzie funkcjonować co doprowadzi do braku możliwości komunikacji z nim i prawidłowego zaprogramowania go.
Ostatnim krokiem jest dodanie gniazda programatora przez które będziemy wgrywać program docelowy. Aby prawidłowo podłączyć programator do mikrokontrolera należy zajrzeć do jego dokumentacji technicznej. Ja używam programator STM32 ST-LINK V2 dostępny w przystępnej cenie w Internecie. Programator ten do prawidłowego zaprogramowania mikrokontrolera wymaga podłączenia dwóch linii: SWCLK oraz SWDIO.


Sygnały te można również znaleźć w środowisku programistycznym STM32CubeMX

dla naszego mikrokontrolera STM32F103C6T6A sygnały do programatora znajdują się odpowiednio SWDIO na porcie PA13 to jest 34 nóżka mikrokontrolera oraz SWCLK na porcie PA14 to jest 37 nóżka mikrokontrolera. Złącze programatora podpinamy zgodnie z naszą wtyczką wychodzącą z niego tak aby odpowiednie sygnały programatora trafiały na odpowiednie nóżki mikrokontrolera. Ja wykorzystuje wtyczkę 4 pinową z wyprowadzonym napięciem zasilania 3,3V, masą programatora GND oraz dwoma sygnałami programującymi SWDIO i SWCLK jak na schemacie.
Pin SV6-1 to zasilanie 3,3V, Pin SV6-2 to sygnał SWDIO, Pin SV6-3 to sygnał SWCLK, ostatni pin złącza SV6-4 to masa układu GND.
Po tak przygotowanym schemacie ideowym możemy przejść do projektowania płytki. Na początek rozmieszczamy elementy na płytce.

Tak zaprojektowaną płytkę w przyszłości możemy rozbudować o wyprowadzenie na gniazda obsługiwanych przez mikrokontroler interfaców takich jak I2C, UART, USART, SPI, TWI itp. w celu prostszego podpinania peryferiów w ramach tworzenia programów testowych. Dodatkowo można do każdej nóżki mikrokontrolera podpiąć diody led w celu monitorowania stanu pinów w celach diagnostycznych przy uruchamianiu różnego typu rozwiązań.
22-gru-2024 20:32:13 CET
© mikroprocesory.info.pl@gmail.com 2013.



